Institut IA

Labor PLT

Personen

Studium
     RT
     PLT
     Zustandsreg.
     Prozessauto.
     Rezeptsteu.
     Info-Technik
     Abschlussarb.

Einrichtungen

Projekte

Kontakt

Kooperationen

Veranstaltungen

        

PLT Planung:  Planspiel-Projekt Ingenieurbüro

Begleitend zur Vorlesung Prozessleittechnik Planung wird eine Musteraufgabe der Automatisierung in Form eines "Planspiels" realisiert. 

Der Zeitplan der Vorlesung PLT Planung findet sich hier

Ein potentieller Auftraggeber beschreibt die Aufgabenstellung "Automatisierung einer Produktionsanlage". In der Industrie fällt diese Beschreibung erfahrungsgemäß knapp aus. Die Studierenden der Vorlesung organisieren sich in fiktiven Ingenieurbüros und versuchen den Auftraggeber auf eine klar umrissene Aufgabenstellung festzulegen. Dabei gilt es als Team zu agieren, formale Besprechungen zu führen, sich gegenseitig zu informieren und letztlich alle industriell notwendigen Planungspapiere zu fertigen. Am Ende steht ein Vertrag zwischen Auftraggeber und Auftragnehmer, also ein Angebot jedes Ingenieurbüros und hoffentlich eine Bestellung. 

Alle Ingenieure in der Industrie agieren so, selbst wenn sie nur intern die für ihre Aufgaben notwendigen Gelder zu begründen haben. Es liegt also nahe, diese Zusammenhänge im Rahmen der Vorlesung zu proben. Natürlich werden die wesentlichen technischen Inhalte im Rahmen der Vorlesung PLT Planung behandelt (Vorlesungsinhalte), dennoch wird es einige Themen geben, die jeder einzelne Studierende selbst zusammenfasst und im Rahmen eines kleinen Vortrags vorstellt. Darüber wird arbeitsteilig das notwendige Wissen erarbeitet.

Der Aufwand wird in etwa dem zeitlichen Aufwand für Übung und Praktikum entsprechen. Vorausgesetzt ist aber, dass die Teams verlässlich zusammenarbeiten. Aber gerade die für eine Sache notwendigen Arbeitsstunden sollten von den Ingenieurbüros verwaltet werden, damit spätere Kostenschätzungen präziser werden. 

Die Betreuung findet durch Prof. Dr. Große unterstützt von den Assistenten statt. 

Die Aufgabe:

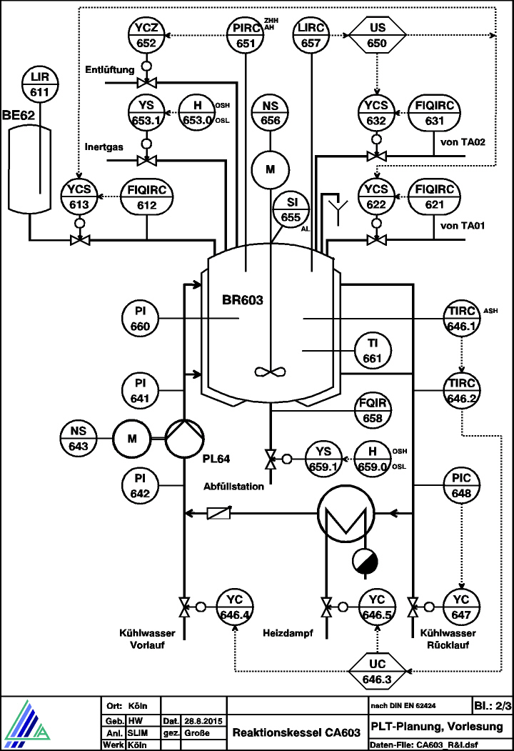
Der potenzielle Auftraggeber, Betreibers einer Anlage HW - CA60 mit Tanklager zur Produktion eines Kunststoffes „SLIM“, stellt seine Anforderungen wie folgt vor:

"Aus 3 Grundstoffen, davon ist einer lösungsmittelhaltig (Stoff 01), wird durch Reaktion unter ständigem Rühren der Kunststoff „SLIM“ synthetisiert. Es erfolgt nach Abkühlung ein Transfer über eine Abfüllstation in Tankwagen.

Verfahren:

  • Reinigen des Reaktors CA603

  • Vorlegen einer Mischung aus TA02 durch Dosieren (Stoff 02).

  • In TA02 und CA603 muss die Mischung durch ständiges Rühren homogen gehalten werden.

  • Zudosieren von Stoff 01 aus TA01 bis ein bestimmtes Verhältnis erreicht ist.

  • Aufheizen von CA603 bis die Reaktionstemperatur erreicht ist.

  • Temperatur halten und Stoff 62 aus BA62 zudosieren.

  • Unter Rühren Reaktionszeit abwarten.

  • Abkühlen auf < 30° C.

  • Ablassen über eine Abfüllstation.

Anlagensicherheit:

  • Im Gebäude HW liegt Explosionsgefahr vor.

  • Im Freigelände ist in einem Bereich um TA01 Explosionsgefahr.

  • Druck und Temperatur in CA603 dürfen obere Grenzwerte nicht überschreiten.

  • Die Rührer in CA603 und TA02 müssen laufen, sonst setzen sich Bestandteile des Stoffes 02 ab.

  • Ein Trockenlaufschutz für die Pumpen ist vorzusehen.

  • Entleerung von CA603 darf nur erfolgen, wenn ein Schlauch angeschlossen ist.

  • Alle Behälter dürfen sich nicht überfüllen lassen.

Sonstiges:

  • Dosieren in CA603 mit geringer Rührerdrehzahl wegen Standmessung.

  • In BA62 befindet sich immer der gleiche Stoff 62.

  • Die Zusammensetzung der Mischung Stoff 02 kann sich ändern.

  • Es soll die Kostenersparung geprüft werden, wenn durch Umstellung der Produktion auf das Lösungsmittel in Stoff 01 verzichtet werden kann.

  • Es ist eine Abfüllanlage zu planen.

  • Die Dosierung aus BA62 soll besonders genau sein.

Die gezeigten R&I-Bilder sind erste Ergebnisse eines Anlagenbauers, es ist zu prüfen, ob diese Anlage die Anforderungen nach Funktion und Sicherheit erfüllt.

Die verwendeten Pläne lassen sich auch als pdf-Dateien herunterladen.

Zum Seitenanfang