| ABB
(Frankfurt, Mannheim, Düsseldorf) |
Spende eines
Prozessleitsystems Freelance und 800xA, Beratung zur
Anlagenvalidierung,
Leitsystem-Software. Nutzung des Batch-Pakets in
Industrieseminaren.

Solche Leitsysteme werden durch
Betreuung des Labors auch an zwei Universitäten in
Aserbaidschan eingesetzt. Es handelt es um eine lebendige
Kooperation im Rahmen eines Tempus-Projekts.

Es gab eine sehr gute
Unterstützung durch die ABB-Experten Herren Weiler, Herz und
Gordetzki. Das Batch-System ist Grundlage der Vorlesung
Rezeptsteuerung, hier können die Studierenden anhand einer
großen simulierten Mehrprodukt-Mehrpfad-Anlage lernen wie man die
hierarchische Steuerungs-Software entwirft und wie man diese auf
dem Leitsystem implementiert.
Beim Aufbau der Fieldbus Foundation Anlage half
uns Herr Fricke, der uns auch viele gute Ratschläge gibt.

|
Freundlicherweise
hat uns ABB das wichtige Zwischenstück zwischen HSE und FF-H1 zur
Verfügung gestellt, so dass wir erfolgreich über das Leitsystem
mit dem Feld kommunizieren und den Bus diagnostizieren
können. |
 |
|
 |
Zur Ergänzung der Profibus-Anlage
hat uns freundlicherweise Herr O'Beirne zwei Y-Links zur Verfügung
gestellt. So können wir den redundaten Aufbau von Profibus DP mit
redundant angeschlossenen Feldgeräten untersuchen. |
Unser Funknetz für Feldgeräte
mittels WirelessHART konnte ebenfalls duch Hilfe von Herrn
O'Beirne mit einem Temperatur-Transmitter ergänzt werden, dieser
kann sogar seine Energie aaus dem Prozess gewinnen. So gibt
es weitere interessante Inhalte für die Lehre und für
Untersuchungen in Abschlussarbeiten.

|
| Auma
Riester GmbH (Müllheim) |
Zwei hochmoderne
elektrische Stellantriebe wurden dem Labor zur Verfügung
gestellt, Herr Trimborn hat sich sehr hierum gekümmert und die
Mitarbeiter im Labor beraten.

Mit weit über
1000 Parametern ist es möglich die Antriebe richtig zu
steuern. Untersucht werden soll das Asset Management der Antriebe,
der Einsatz in Schutzfunktionen mit gefordertem SIL und der
Betrieb an den Feldbussen Profibus DP und Foundation Fieldbus H1.
Erste
Abschlussarbeiten wurden erfolgreich beendet, auch dank der
Unterstützung der Herren Trimborn, Piringer und Bergner.
Im Aufftrag der Herren Längin und
Fedorov haben wir Untersuchungen an den Antrieben durchgeführt, Es
gab eine sehr gute Kooperation.
|
| Armaturen
Schneider (Nordheim) |
Herr Heine hat
uns mit einem Ventilblock für einen Differenzdruck-transmitter
zur Durchflussmessung und allen notwendigen Edelstahlteilen
unterstützt. Jetzt lernen auch Elektrotechniker in welcher
Reihenfolge die Ventile zu betätigen sind.

Zusätzlich erhielten
wir zwei Kalibrieranschlüsse für Drucktransmitter.
|
| Bayer
CropScience (Dormagen) |
Langjährige
gute Unterstützung als Beratung und Einblicke in die Planung und
Betriebsbetreuung erhalten wir von Herrn Dahmen. Auch eine
Differenzdruck-Durchflussmesseinrichtung hat er zur Verfügung gestellt.
|
| Berthold
(Bad Wildbad) |
Spende eines radiometrischen
Füllstandssensors. Der Betrieb wird im Labor ohne besonderen
Gamma-Strahler mit Hilfe von Kalisalz realisiert. Immerhin erhöht
das Salz die natürliche Hintergrundstrahlung um den Faktor 10.
Das merkt die Sonde aber nur, wenn wir sie im Salz betreiben.
Dennoch lässt sich hiermit die Füllstandsmessung simulieren. Mittels der
Unibert-Software lassen sich die Parameter komfortabel einstellen.
Danke an Herrn Schmitz.

Mit einer erhaltenen
Mikrowellen-Feuchte-Messsonde werden wir uns noch beschäftigen,
sie wartet noch auf ein geeignetes Projekt.
|
| Bürkert
(Ingelfingen) |
Elektrotechniker der
Automatisierungstechnik müssen auch pneumatische Komponenten
kennen lernen und in ihrer Planung berücksichtigen. Nur gut, dass
die Fa. Bürkert das Labor mit pneumatischen Schaltventilen, elektropneumatischen Wandlern und
einer anemometrischen Durchflussregeleinrichtung ausgestattet hat.
Herr Schulz kümmert sich dankenswert auch um die Vermittlung des
nötigen Wissens.

Die
Handbedienung und die Ansteuerung der Schaltventile über beide
Leitsysteme erfolgt über die Ventilblöcke von Bürkert.
Sehr dankbar
sind wir auch über 3/2-Wege-Kugelhähne, mit denen wir unsere
Anlage befüllen, spülen und entleeren können.

|
|
Codewrights (Karlsruhe) |
Sehr viel weiter
kamen wir beim Verstehen der wichtigen Feldgeräteschnittstelle
FDT/DTM weil wir durch freundliche Unterstützung der Debes und Dr.
Gunzert ein Tool zur Generierung von genernischen DTMs aus EDDs
nutzen können. Andere Feldgerätehersteller wurden auch hierauf
aufmerksam und so konnte das Labor ein interessanter Vermittler
sein.
|
| ConCab
Kabel GmbH (Mainhardt) |
Für veränderliche Installationen
und besonders robusten Aufbau von Profibus hat uns Herr Holstein
flexible Bus-Leitung zur Verfügung gestellt. So lernen die
Studierende sinnvolle Technik kennen.

|
| Dehn
(Himmerich) |
Vorträge im Rahmen der
Vorlesung PLT zum Thema Blitzschutz von Automatisierungssystemen,
Schulungen für einzelne Studierende.
Muster für die
Installation von Blitzschutzableitern und insbesondere für den
notwendigen Überspannungsschutz helfen in der Ausbildung von
künftigen Planern.

Das Thema
Überspannungsschutz hat immer mehr Gewicht in der PLT-Vorlessung
gewonnen, ist es doch eine wichtige Voraussetzung für funtional
sichere und für explosionsgeschützte Anlagen. So versuchen wir
unsere Laboranlage mustergültig aufzubauen und darin
Explossionsschutzzonen auszuweisen. Die zugehörigen
Explosionsschutzdokumente sollen diese wichtigen Inhalte für die
Praktika zur Vorlesung verdeutlichen. Besten Dank an die Herren
Born und Storz.



|
|
Dräger (Lübeck) |
Gaswarngeräte
sind eine wichtige Ergänzung von automatisierten Anlagen. Wir sind
sehr froh, dass uns die Herren Schachel, Körschgen und Demelt mit einen
Gasanalyse-Sensor unterstützt haben. Dieser lässt sich z. B.
einsetzen um die untere Explosionschutzgrenze zu detektieren. In
weiteren interessanten Projekten haben wir auch solche Geräte für
Profibus PA und Foundation Fiedbus untersucht.

|
| Drehmo
(Wenden) |
Spende eines
großen elektrischen Stellantriebs für Klappen und Schieber. Das
Gerät ist ein weiterer Profibus-Teilnehmer und an die
Prozessleitsysteme angeschlossen. Herr Pingel wird von Herrn
Margotte informiert.

|
Dr.
Neuhaus Telekommunikation GmbH (Hamburg)
|
Spende
von GPRS-Modems, Webserver-Nutzung.

|
|
Hermann
Ehlers Gmbh (Oyten) |
Die Laborausstattung zum Thema
Durchflussmessung mit Ovalradzählern oder Turbinen wurde dank
Herrn Blecker um ein Anzeigegerät ergänzt. Nun sind die
Studierenden in der Lage Frequenzen zu messen und in
Durchflusswerte umzusetzen, insbesondere im Vergleich zu anderen
Messverfahren.

|
| Emerson
(Langenfeld) |
Unterstützung bei der Planung
einer wirelessHART-Anlage. Herr Küper versorgte uns mit wichtigen
Dokumenten und berät uns mit großer Kompetenz. Besonders freuten
wir uns über die Zusage der Herren Jäger und Küper das Labor mit Geräten auszustatten.
Mit Hilfe von zwei
Abschlussarbeiten haben wir ein erstes WirelessHART-Netzwerk
aufgebaut und mit beiden Leitsystemen verbunden. Hiermit sind
Untersuchungen der Verfügbarkeit und der Netzplanung möglich.
Mit AMS haben
wir den Einsatz von EDDL zur Feldgerätekonfiguration bei
WirelessHART, Profibus, Foundation Fieldbus und HART untersucht.
Sehr dankbar sind wir Herrn Scheil
für einen größeren Differenzdrucktransmitter mit
Druckmittlerleitungen.

Herr Lennartz hat in guter
Verbundenheit zum Labor dieses kräftig mit Feldgeräten
unterstützt. Hierbei wurden wir wieder mit neuen Messprinzipien
bereichert, die uns im Verstehen weiter bringen. Themen für
Abschlussarbeiten bieten sich so an. Herr Lennartz
habe großen Dank!

Sehr bereichert wurde das Labor durch wiederholte Diskussionen
über die Entwicklungen am Markt und die Veränderungen der
Leitsystem-strukturen mit den Herren Loddo, Achenbach und Springer.
Deren profunde Kenntnisse haben uns in einigen Fragstellungen
weiter-gebracht.

Sehr dankbar bin ich Herrn Loddo
für die Unterstützung mit einem hochmodernen Kommunikator für
HART- und Foundation Fieldbus- Feldgeräte. Das Gerät bringt die
Studierenden weiter im Verstehen der Notwendigkeit des feldnahen
Datenaustauschs und des Datenhaushalts bei Feldgeräten.
|
| Endress & Hauser (Weil
am Rhein) |
Umfangreiche Spenden von
Feldbus-Geräten zur Messung von Füllständen, Drücken und
Durchflüssen.
Parallel werden in unserer
Musteranlage Profibus- und FF-Geräte verwendet. Insbesondere
konnten wir mit diesen auf der FF-H1-Seite ausführlich Control in the Field
untersuchen.
Die Studierenden erarbeiten sich in
Teams die Einsatzgebiete der Feldgeräte, parametrieren diese
mittels Fieldcare und lernen die Planung nach dem FISCO-Modell.
Herrn Johannsen
und Herrn Rave sind wir dankbar für die Unterstützung.
Um unsere Anlage
mit Foundation Fieldbus zu erweitern erhielten wir eine
Clamp-on-Ultraschall-Durchflussmessung und Temperaturtransmitter.
Um die Messprinzipien für
Durchflüsse zu vervollständigen dürfen wir zusätzlich einen
Wirbelfrequenzmesser einsetzen.

Der Einsatz von
Fieldcare im Labor ist dank Herrn Gampp möglich, das Thema FDT/DTM
und FDI ist wichtig für künftige Planer.
|
| EPLAN
(Monheim) |
Herr Harder mit
Frau Janßen unterstützt uns mit einer Version der
Planungs-Software EPLAN. Hiermit haben wir unsere Laboranlagen als
Elektro-Schaltpläne und R&I-Bilder dokumentiert.

|
| Eurotherm Regler
(Limburg/Lahn) |
siehe jetzt bei
Schneider Electric Systems
Germany
|
| Festo
(Denkendorf) |
Spende einer
pneumatischen Ventilinsel mit Remote-I/O. Die elektropneumatischen
Wandler sind ebenso wie andere Feldgeräte Profibus-Knoten. Die
Einführung für die Lehre gelang mit Hilfe der Herren Dr. Roos
und Dreher. Gut auch, dass wir weitere Module für den Bau
einer Testanlage erhalten haben. Angeschlossen sind die Sensoren
und Aktoren unserer Wasserpumpanlage und die Pneumatik-Komponenten.
Pneumatisch
angetriebene Kugelhähne erlauben uns mehrere Leitungsweg in der
Wasseranlage zu betreiben, sie werden über elektropneumatische
Wandler am Remote I/O betrieben.

|
| Flexim
(Berlin) |
Dank der Herren Wetzel und Feyen
haben wir vom Wegbereiter für die
Ultraschall-Durchflussmesstechnik ein Clamp-on-Gerät erhalten,
welches in unserer Wasser-Pumpanlage im Vergleich zu anderen
Messprinzipien eingesetzt wird. Hierbei hilft die Menüführung im
Messumformer die physikalischen Zusammenhänge der Laufzeitmessung
gut zu verstehen. Gut, dass wir auch das zugehörige Geräte-DTM
für das HART-Protokoll erhalten haben, danke an die Herren Hander
und Gerstmann.

Großer Dank an die Herren Wahl und
Feyen für die Überlassung eines tragbaren Ultraschall
Messumformers. Hiermit können wir sogar eine Wanddickenmessung
durchführen, was die Genauigkeit des Messverfahrens weiter erhöht.
Viele Kalibrierversuche belegen das.

|
|
Flowchief (Fürth) |
Intensive
Unterstützung und Kooperation erfahren wir mit den Entwicklern der
SCADA-Software, welche sich sehr gut in unserem Fernwirkprojekt
einsetzen lässt. Wir versuchen hiermit viele neue Funktionen zu
realisieren und die Betreiebsführung eines Kanalnetzes zu
verbessern. Besonderer Dank geht auch an die Herren Bartel und
Fink, die unsere Anforderungen in die Entwicklung von Funktionen
übernehmen.

|
GEMÜ Gebr. Müller Apparatebau GmbH & Co. KG
(Ingelfingen)
|
Unterstützung mit
Dokumentationen und Lehrmaterial, Turbinen-durchflussmesser, Sitz-
und Membranventile, elektropneumatische Stellungsregler.
Pneumatische
Antriebe kennen zu lernen ist gerade für Elektrotechniker ein
wichtiger Studieninhalt. Ist doch Automatisierungstechnik ohne
solche Stellgeräte in der Industrie undenkbar, Herrn Kroupa sei
Dank. Gute Dienste
leisten die Geräte auch im Ablauf unserer Wasserpumpanlage.
|
Herr
Schmidt hat sich sehr eingesetzt, dass wir eine
Regelklappe erhalten. In DN 25 passt sie zu unserer
Wasseranlage. Wir planen die Kennlinie der Kv-Werte
auszumessen, insbesondere im Vergleich zu Regelventilen
und zum Membranventil. |
|
| Gönnheimer
Elektronic GmbH (Neustadt) |
Prof.
Gönnheimer stellte uns alle Einrichtungen zur Verfügung um einen
Kasten mittels Überdruckkapselung explosionsgeschützt aufbauen
zu können. Hiermit sollen die Studierenden lernen, wie diese
Schutzart neben eigensicherer Technik, Installation in erhöhter
Sicherheit und Vergusskapselung aufgebaut und betrieben wird.

|
| Heinrichs
Messtechnik GmbH (Köln) |
Die Herren
Gottschalk und Meissner unterstützten uns mit einem
Massedurchflussmesser mit Geräte-DTM.


|
|
Höntzsch Messtechnik
(Waiblingen) |
Elektrotechniker
mit den Strömungsprofilen vertraut zu machen ist eine wichtige
Voraussetzung um Durchflusssensoren für Anlagen richtig
auszuwählen. Die Herren Lempp und Feyen haben uns sehr unterstützt
mit Einstecksonden als hochempfindliches Flügelrad und als
Anemometer. Hier gelingt es fast punktuell in unserem
Strömungskanal lokale Geschwindigkeiten zu messen. Der Einsatz im
Praktikum Prozessleittechnik ist erfolgreich.


|
| Hy-line
(München) |
Unterstützung
mit einem GPRS-Router und eines Ethernet - ser. Schnittstellen-Gateways für Fernwirkprojekte, die das Labor
für den Bereich Abwasserkanalnetze durchführt.

|
|
HIMA Paul Hildebrandt GmbH
(Brühl) |
Spende
einer sicherheitsgerichteten
SPS, Programmierungswerkzeuge und Berechnungstools entspr. der
IEC-Normen, Finanzierung von Tagungsteilnahmen. Funktionale
Sicherheit ist ein wichtiger Teil der Vorlesung PLT. Wie man
sichere und hoch verfügbare SPSen kombiniert, ist an der
HIMA-Steuerung gut zu erklären. Die langjährige gute Betreuung
von Herrn Pross und die Unterstützung der Herren Leistner
und Hafner machte dies möglich.
Einer der
Diplomanden, Herr Fecke, erhielt für seine Arbeit mit der
HIMA-Steuerung den VDI-Preis.
Im Bereich
Sicherheitstechnik haben wir uns weiterentwickelt,
Gefährdungsbeurteilung, Schutzkonzept und SIL-Einordnung haben
wir für unsere Anlage durchgeführt. Dankbar sind wir über die
Beratung von Herrn Schallenberg vom TÜV Rheinland. Die
Realisierung der SIF unterstützt HIMA mit einer
sicherheitsgerichteten Steuerung, Danke an die Herren Leistner und
Pross.

|
| Hirschmann
Automation and Control GmbH (Neckartenzlingen) |
Unterstützung
mit Ethernet-Schulungsunterlagen, Industrie-Switches. Für die Prozessleitsysteme im Labor sind sie
das Rückrad. Im Rahmen der Vorlesung PLT studieren die
Studierenden hieran die Funktion von Mesh-Netzen. Dank gilt den
Herren Spruck und Wrobel.

|
| Honeywell
GmbH FEMA Regelgeräte (Schönaich) |
Unsere Laboranlage ist als
gefährlich eingestuft. Und das nur um den Planungsprozess der
funktionalen Sicherheit erproben zu können. Für diese
regelgerecht entworfenen Schutzeinrichtungen
hat uns Herr Käshammer freundlicherweise Druckschalter mit
definierten pfd-Werten zur Verfügung gestellt um den SIL für die
Schutzkreise Drucküberwachung nachrechnen zu können.

|
IBHsoftec (Oberzent)
|
Dank des
Einsatzes von Herrn Schulz erhielten wird einen IBH Link S7++ und
können dadurch die Daten aus Siemens S7 Steuerungen mit
MPI-Schnittstelle per Ethernet weiterverarbeiten.

Modulintegration
ist ein immer wichtigeres Thema für das Labor geworden.
Ebenso unterstützte uns Herr Schulz mit zwei IBH Link UA somit
können wir die Daten aus mehreren Siemens Steuerungen per OPC UA
und MQTT bereitstellen. Hierin bilden sich neue Standards im Markt
heraus, die wir natürlich untersuchen wollen.

|
| Icos (Düsseldorf) |
Spende einer großen
Musterproduktionsanlage mit Steuerungen.

|
| Indu-Sol
GmbH (Schmölln) |
Besonders viel Wissen zum Profibus
konnten wir dank Herrn Richter von Indu-Sol erwerben: Eine gute
Beratung und das großzügige Bereitstellen von
Feldbus-Diagnose-Geräten ermöglicht im Labor die Hardware und
die Protokolle von Profibus DP und PA zu ergründen. Was man in
der Industrie zur Inbetriebnahme und zur Langzeitdiagnose von
Profibus benötigt steht uns dank Indu-Sol zur Verfügung.

Uns
stehen die kompletten Messkoffer zur Verfügung, von Leitungen
können alle physikalischen Parameter bestimmt werden.
Auch wie man
richtig Frequenzumrichter mit Motoren verbindet können wir mit
einem Muster eines speziell geschirmten Kabels in der Lehre
demonstrieren.

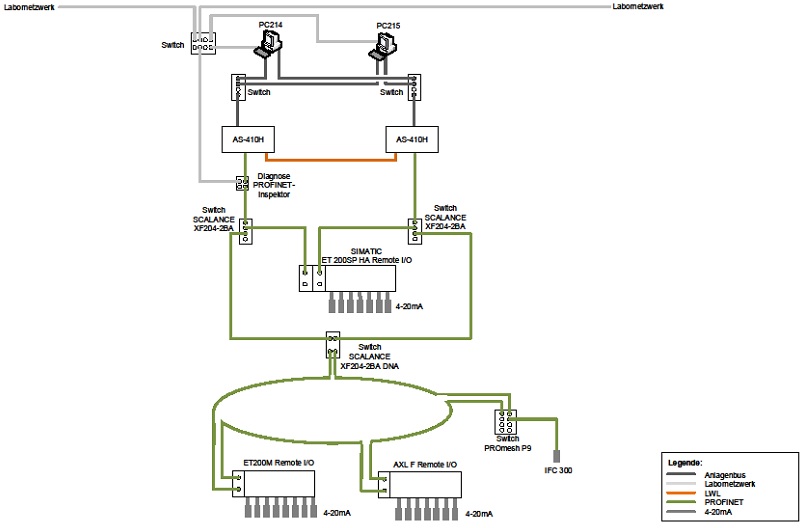
Herr Rohn ist unser beständiger
Unterstützer gerade beim Aufbau der neuen Profinet-Anlage.
Feldbusse zu verstehen und zu lehren wird sehr vereinfacht mit dem
Einsatz von Diagnosegeräten, diese bekamen wir dankenwerterweise.
So soll auch jedem Ingenieur klar werden, dass eine hoch
verfügbare Feldbus-Anlage eine aussagekräftige Diagnose benötigt.

Diagnse wird sehr anschaulich wenn
tatschlich fehlerhafte Telegramme vorkommen. Dabei hilft sehr der
Bitzerstörer von Herrn Rohn.

|
Innominate
Security Technologies AG, Berlin
|
Leihgaben
im Bereich Security; Router/Firewall.

|
Intellution (Darmstadt)
|
Bereitstellung von vielen
Lizenzen des Visualisierungspaketes iFIX.

|
| Kirchner Soft Deutschland GmbH
(Langenfeld) |
Spende
von CAE-Software LogiDoc und Konfigurationstool LogiCAD. Herr Golz
betreute die gemeinsamen Projekte.

|
| Kobold
Messring GmbH (Hofheim) |
Einen
Ovalradzähler erhielten wir von Herrn Schardt, durch die
Plexiglasscheibe ist sein Funktion gut zu sehen.

|
| Krohne
(Duisburg) |
Damit die
Studierenden weit verbreitete Messprinzipien für den Durchfluss
von Volumen und Masse kennen lernen können haben wir mit Dank an
die Herren Pafel, Lenz und Schmidt viele Industriegeräte
erhalten. Hierzu gehören ein Coriolis-Massedurchflussmesser mit
geraden Rohren.

Für
Elektrotechniker sind die verschiedenen Schwebekörper-Durchflussmesser,
die auch neben der Anzeige ein Stromsignal nebst HART liefern eine
ungewohnte Methode. Die Verbreitung legt aber nahe, dass sich
Automatisierungstechniker hiermit beschäftigen.
Für die
Durchflussmessung bei Gasen, wir verwenden Druckluft, konnten wir
danke der Geräte von Krohne eine kleine Testanlage mit
Schwebekörper- und einem Coriolis-Messgerät aufbauen.

Besonders
interessant ist die Durchflussmessung mittels Ultraschall, ein
Clamp-on-Gerät leistet gute Dienste um die Konfiguration zu
erlernen.

Die neueste 80
GHz-Technologie fand Einzug ins Labor dank der Herren Haut und Dr.
Brehm, von Radar-Füllstandsmessung muss auch jeder planende
Ingenieur Kenntnisse haben.

|
| Magnetrol
(Overath) |
Erste Schritte
den Durchfluss von Gasen zu messen, gelangen uns mit der
Unterstützung von Herrn Ralf. Mit dem thermischen
Massedurchflusssensor konnte sogar das Strömungsprofil innerhalb
eines Rohres zu bestimmt werden.

|
Mitsubishi Electric Europe
B.V.
(Ratingen)
|
Spende
einer SPS mit Entwicklungsumgebung.
Mit großem
Einsatz schult uns Herr Weichert und gibt viele wertvolle Hinweise
zur Programmierung Dank seiner Hilfe können wir eine weitere
Steuerung nutzen und beide SPSen als Profibus-Master oder -Slave
einsetzen.

|
Omron Electronics
(Langenfeld)
|
Schulungen in optischen
Messsystemen, Spende eines Kompaktreglers und der Software
CX-Thermo für einen Laboraufbau. Herr Dreßelhaus gibt immer
guten Rat.

|
Panasonic
Electric Works Deutschland (Holzkirchen)
|
Spende
einer modularen Steuerung mit Entwicklungsumgebung.
 Hier wird unser Laboraufbau
für eine Fernwirkanlage gezeigt:
|
Pepperl & Fuchs
(Mannheim)
|
Spende von
Feldbus-Segmentkopplern für Profibus.
Der langjährige gute Kontakt zu Herrn Liebers ermöglichte dies.
Die Studierenden können anhand der Geräte viel über
Explosionsschutz und das FISCO-Modell lernen.
Mit Hilfe von
Herrn Richter haben wir eine größere Installation für
Foundation Fieldbus erstellen können. Eine Wasserpumpanlage wird sowohl mit
Profibus-PA als auch mit FF-H1 instrumentiert. Die Power-Hubs und
die
Barrieren ermöglichen dies. So lassen sich viele
Planungsdetails im Vergleich lernen und in die Vorlesungen
einbringen.
Die
Diagnose-Baugruppen verschaffen tiefen Einblick in die Funktion
von Profibus PA und FF-H1.
Herr Richter hat
uns bestens mit Herrn Braun unterstützt ein WirelessHART-Netzwerk
aufzubauen. Sehr nützlich erwies sich der Adapter im Einsatz als
Repeater.
Das Thema
Diagnose von Feldbussen ist für die Lehre äußerst wichtig.
Werden doch nur so künftige Ingenieure vorgeprägt Anlagen, die
fast nie ausfallen zu konzipieren. Unermüdlich unterstützt uns
hierbei Herr Richter mit Diagnosebaugruppen und Gateways hierzu.
Moderne Anlagen
werden mit Barrieren aufgebaut, die 12 Stiche zu Feldgeräten
ermöglichen. Insbesondere ist hiermit die Diagnose des Feldbus
(Profibus PA und FF) in jedem Stich möglich, sogar der
Überspannungsmodule. Um zu zeigen wie diese Konzepte zu
sinnvollen Anlagen führen, hat uns Herr Richter mit
entsprechenden Geräten ausgestattet.

|
| Phoenix
Contact (Blomberg) |
Das Ethernet mit
administrierbaren Switches sind das Rückrad eines Leitsystems.
Gut, dass Frau
Kopei-Brettmeier solche zur Verfügung gestellt hat. Sie verbinden
unsere Prozessleitsysteme und ermöglichen unser Fernwirkprojekte.
Herr Sagebiel
hat sich sehr für die Unterstützung des Labors mit Komponenten
von Phoenix Contact eingesetzt und uns zunächst einen WirelessHART-Adapter
zukommen lassen. Diesen haben an einem Feldgerät in unser
Netzwerk integriert. Auch mit Teilnehmern unterschiedlicher
Hersteller lässt sich das Mesh-Netz problemlos planen, es läuft
stabil und kann diagnostiziert werden.

Große Freude kam bei den
Labormitarbeitern auf, als wir zur Unterstützung unseres
Schaltschrankbaus von den Herren Sagebiel und Denizer eine große
Auswahl an Bauteilen gebracht bekamen. Hiermit entstehen ganz neue
Möglichkeiten in den Anlagen und wir werden vertraut mit neuen,
teils kleineren Komponenten mit interessantem Funktionsumfang.

Dank der Herren Sagebiel, Grote und
Vothknecht setzen wir im Labor die neue Steuerungsgeneration von
Phoenix Contact an einigen Stellen ein. Besonders wichtig ist uns
dabei auch die Integration via MTP in Prozessleitsysteme zu
untersuchen.


|
| Prosign (Barleben) |
Spende der Soft-SPS iconL
und
der Entwicklungsumgebung, um über OPC Geräte zu koppeln.

|
| Proxitron
GmbH (Elmshorn) |
Für den
Trockenlaufschutz von Pumpen sind Stömungswächter ein wichtiges
Ausrüstungsteil, welches zu planen gilt. Dank Herrn Eberhard
können unsere Studierenden einen thermischen Durchflusswächter
einsetzen und in den Leitsystemen verwenden.

|
Rockwell Automation
(Haan)
|
Spende einer SPS mit
Profibusanschaltung.

|